根據市場訂做工業鋁型材框架的客戶需要,鋁型材配件有很多不同角度的連接件,像直角連接件在工業鋁型材框架組裝中就能經常遇見,那么哪些配件屬于直角連接件呢?
在上海啟域鋁型材廠家鋁型材配件直角連接件有L型連接板、內置連接件、錨式連接銷、角碼這幾種配件都屬于直角連接件。
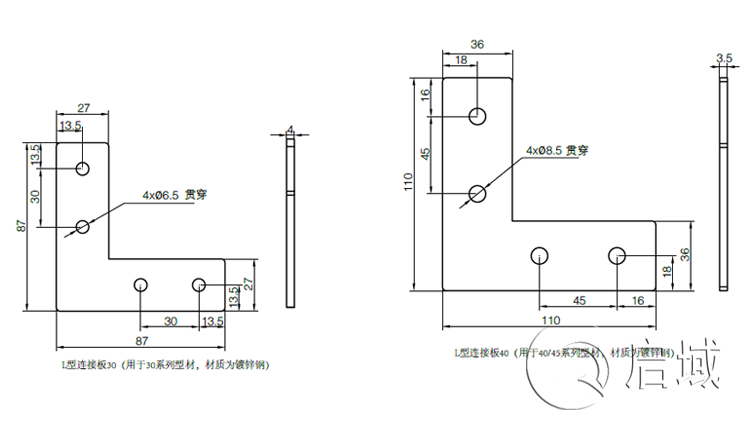
L型連接板經常用在3030鋁型材和4040鋁型材上面,它用于組裝框架的時候L型連接板放在型材的表面部連接的。 內置連接件用于30鋁型材、40鋁型材、45鋁型材上面較多,十字連接,直角連接皆是可以的,安裝的時候需要在型材規定的上面打孔安裝。
以上幾種工業鋁型材配件皆是屬于直角連接件,有需要購買鋁型材及配件的小伙伴可以致電上海啟域鋁型材廠家。
在上海啟域鋁型材廠家鋁型材配件直角連接件有L型連接板、內置連接件、錨式連接銷、角碼這幾種配件都屬于直角連接件。
L型連接板經常用在3030鋁型材和4040鋁型材上面,它用于組裝框架的時候L型連接板放在型材的表面部連接的。 內置連接件用于30鋁型材、40鋁型材、45鋁型材上面較多,十字連接,直角連接皆是可以的,安裝的時候需要在型材規定的上面打孔安裝。
以上幾種工業鋁型材配件皆是屬于直角連接件,有需要購買鋁型材及配件的小伙伴可以致電上海啟域鋁型材廠家。





滬公網安備31011702001213號
掃一掃,關注手機站